

ISISSSQD
Modelo: ISISSSQD
• Interruptor de seguridad magnético codificado
• Carcasa de acero inoxidable grado 316
• Totalmente encapsulado, IP67
• Desconexión rápida M8, cables de 5 o 10 metros
Los interruptores de seguridad ISIS son interruptores de seguridad sin contacto y resistentes a manipulaciones. Resina encapsulada en carcasas de acero inoxidable, proporcionando protección ambiental IP67. Los interruptores pueden soportar la mayoría de las condiciones, incluidas: agua, polvo y limpieza con mangueras de alta presión.
La unidad de control monitorea la conexión de 2 cables a cada interruptor de seguridad, detectando inmediatamente fallas de circuito abierto y de cortocircuito y devolviendo la unidad de control al estado apagado incluso si la puerta no está operada.
| ESPECIFICACIONES TÉCNICAS | |
|---|---|
| CONECTOR DEL CABLE | DESCONEXIÓN RÁPIDA |
| LONGITUD DEL CABLE | 5 O 15 METROS |
| CODIFICACIÓN | MAGNÉTICO CODIFICADO, CÓDIGO ÚNICO |
| OPCIONES DE REINICIO | EN LA UNIDAD DE CONTROL |
| INDICACIÓN | EN LA UNIDAD DE CONTROL |
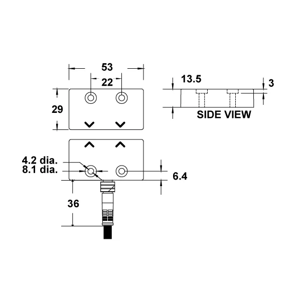
| DIMENSIONES DEL INTERRUPTOR (MM) | 53 X 29 X 13,5 |
| DIMENSIONES DEL ACTUADOR (MM) | 53 X 29 X 13,5 |
| PESO | N / A |
| CLASIFICACIÓN DEL IP | IP67 |
| CONSTRUCCIÓN | ACERO INOXIDABLE DE GRADO 316. |
| MONTAJE | 4 TORNILLOS DE SEGURIDAD M4 |
| ESPECIFICACIONES AMBIENTALES | |
|---|---|
| TEMPERATURA DE FUNCIONAMIENTO | -10°C A 55°C |
| TEMPERATURA DE ALMACENAMIENTO | -20°C A 60°C |
| DATOS RELACIONADOS CON LA SEGURIDAD | |
|---|---|
| PL SEGÚN EN ISO 13849-1 | PL-E, CAT 3 |
| SIL CL SEGÚN EN IEC 62061 | SIL 3 |
| PFHD SEGÚN EN IEC 62061 | 3,37X10-8 |
| HPF | 5,63X10-8 |
| B10D | 2.000.000 |
| MTTFD | ALTO > 100 AÑOS (BASADO EN UNA TASA DE USO DE 360 DÍAS) |
| MT | 20 AÑOS |
| CORRIENTE CONTINUA | 99% |
| SFF | 99,40% |